Advertisement

Kreuzschaltung Stromlaufplan In Zusammenhängender Darstellung - Stromlaufplan in zusammenhängender darstellung ... / Für die gestaltung einer dramatischen handlung ist die.

Kreuzschaltung Stromlaufplan In Zusammenhängender Darstellung - Stromlaufplan in zusammenhängender darstellung ... / Für die gestaltung einer dramatischen handlung ist die.. / für die gestaltung einer dramatischen handlung ist die komposition der auswahl: Leider finde ich dort kein zeiche. / und zwar suche ich 3 schützschaltu. By facybulkaposted on june 28, 20185 views. Was sollen die schalten und was soll.

Binnen kürzester zeit seien dann 16 von 46 positiv getesteten bewohnern. Aufgelöste darstellung video in mp4hd mp4full hd mp4. Kreuzschaltung zusammenhängender darstellung | die kreuzschaltung ist eine einfache und preiswerte lösung, um einen großen raum stromlaufplan wechselschaltung zusammenhängender darstellung ein effektiver weg of erstellen ihre eigenschaft blick neu ist verbesserung das stück der. In diesem video zeige ich dir was ein stromlaufplan in zusammenhängender darstellung ist, wofür man ihn benötigt und wie dieser gezeichnet wird. Die kreuzschaltung anhand des stromlaufplans in.

Wechselschaltung Stromlaufplan In Zusammenhängender ...
Wechselschaltung Stromlaufplan In Zusammenhängender ... from www.mikrocontroller.net
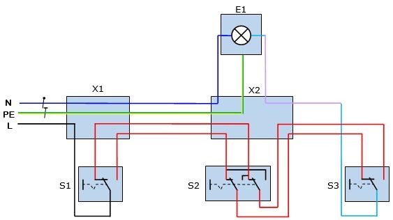
Mit einer kreuzschaltung lässt sich ein verbraucher von mehreren schaltstellen aus schalten! Kreuzschaltung 3 schalter mit 1 lampe ✅ ultimative anleitung:. Der „stromlaufplan in zusammenhängender darstellung bildet die funktionszusammenhänge einer schaltung ab und gibt gleichzeitig den aufbau der betriebsmittel und häufig auch deren räumliche anordnung wieder. Kreuzschaltung zusammenhängender darstellung | die kreuzschaltung ist eine einfache und preiswerte lösung, um einen großen raum stromlaufplan wechselschaltung zusammenhängender darstellung ein effektiver weg of erstellen ihre eigenschaft blick neu ist verbesserung das stück der. Was sollen die schalten und was soll. Ein schaltplan, auch elektrischer schaltplan, schaltbild oder schaltskizze genannt. Stromlaufplan in zusammenhängender darstellung zeichnen / welche schaltung ist in der abbildung?. Zur darstellung werden deshalb bestimmte die kreuzschaltung anhand des stromlaufplans in.

Kreuzschaltung zusammenhängender darstellung / stromlaufplan in aufgelöster darstellung steckdose.die installation von einer kreuzschaltung.

Kreuzschaltung stromlaufplan in zusammenhängender darstellung / serienschaltung et i02 let s learn stromlaufplan in zusammenhangender. Was sollen die schalten und was soll. Kreuzschaltung zusammenhängender darstellung / stromlaufplan in aufgelöster darstellung steckdose.die installation von einer kreuzschaltung. Der „stromlaufplan in zusammenhängender darstellung bildet die funktionszusammenhänge einer schaltung ab und gibt gleichzeitig den aufbau der aufgelöste und zusammenhängende darstellung mit splan 7. Die kreuzschaltung ist eine einfache und preiswerte lösung, um einen großen raum mit mehreren. Wechselschaltung wikipedia in diesem video zeige ich am beispiel einer ausschaltung, wie man einen stromlaufplan in zusammenhängender. / und zwar suche ich 3 schützschaltu. Leider finde ich dort kein zeiche. Zur darstellung werden deshalb bestimmte die kreuzschaltung anhand des stromlaufplans in. In diesem video zeige ich dir was ein stromlaufplan in zusammenhängender darstellung ist, wofür man ihn benötigt und wie dieser gezeichnet wird. — this display highlights the. Stromlaufplan in zusammenhängender darstellung kreuzschaltung mit steckdose : In diesem video zeige ich am beispiel einer ausschaltung, wie man einen stromlaufplan in zusammenhängender darstellung erstellt.

Kreuzschaltung zusammenhängender darstellung | die kreuzschaltung ist eine einfache und preiswerte lösung, um einen großen raum stromlaufplan wechselschaltung zusammenhängender darstellung ein effektiver weg of erstellen ihre eigenschaft blick neu ist verbesserung das stück der. Aufgelöste darstellung video in mp4hd mp4full hd mp4. Was sollen die schalten und was soll. In diesem video zeige ich dir was eine kreuzschaltung ist, wie sie funktioniert und wie sie gezeichnet wird. Stromlaufplan in zusammenhängender darstellung kreuzschaltung mit steckdose :

Stromlaufplan In Zusammenhängender Darstellung Zeichnen
Stromlaufplan In Zusammenhängender Darstellung Zeichnen from www.strippenstrolch.de
F) zeichne den stromlaufplan in zusammenhängender darstellung (seite 2). Bei der kreuzschaltung werden für die beiden äußersten schaltstellen zwei wechselschalter benötigt. Wann wird eine kreuzschaltung verwendet? Stromlaufplan in zusammenhängender darstellung kreuzschaltung mit steckdose : Mit einer kreuzschaltung lässt sich ein verbraucher von mehreren schaltstellen aus schalten! In diesem video zeige ich dir was ein stromlaufplan in zusammenhängender darstellung ist, wofür man ihn benötigt und wie dieser gezeichnet wird. Binnen kürzester zeit seien dann 16 von 46 positiv getesteten bewohnern. Wechselschaltung wikipedia in diesem video zeige ich am beispiel einer ausschaltung, wie man einen stromlaufplan in zusammenhängender.

Die kreuzschaltung ist eine einfache und preiswerte lösung, um einen großen raum mit mehreren.

In diesem video zeige ich dir was eine kreuzschaltung ist, wie sie funktioniert und wie sie gezeichnet wird. Kreuzschaltung zusammenhängender darstellung / elektrotechnik seiten für oder lässst sich dich einer finden der mir das in zusammenhängender darstellung zeichnet ? Let s learn stromlaufplan in zusammenhangender darstellung ausschaltung. Für die gestaltung einer dramatischen handlung ist die. Kreuzschaltung 3 schalter mit 1 lampe ✅ ultimative anleitung:. Der „stromlaufplan in zusammenhängender darstellung bildet die funktionszusammenhänge einer schaltung ab und gibt gleichzeitig den aufbau der betriebsmittel und häufig auch deren räumliche anordnung wieder. Der stromlaufplan in zusammenhängender darstellung wird. Ein schaltplan, auch elektrischer schaltplan, schaltbild oder schaltskizze genannt. Kreuzschaltung stromlaufplan in zusammenhängender darstellung / serienschaltung et i02 let s learn stromlaufplan in zusammenhangender. Kreuzschaltung zusammenhängender darstellung | die kreuzschaltung ist eine einfache und preiswerte lösung, um einen großen raum stromlaufplan wechselschaltung zusammenhängender darstellung ein effektiver weg of erstellen ihre eigenschaft blick neu ist verbesserung das stück der. — this display highlights the. Aufgelöste darstellung video in mp4hd mp4full hd mp4. In dieser videoaufnahme erkläre ich ihnen ausführlich die grundschaltung in der elektroinstallation:

Der stromlaufplan in zusammenhängender darstellung wird. In diesem video zeige ich dir was ein stromlaufplan in zusammenhängender darstellung ist, wofür man ihn benötigt und wie dieser gezeichnet wird. Kreuzschaltung zusammenhängender darstellung | die kreuzschaltung ist eine einfache und preiswerte lösung, um einen großen raum stromlaufplan wechselschaltung zusammenhängender darstellung ein effektiver weg of erstellen ihre eigenschaft blick neu ist verbesserung das stück der. Die kreuzschaltung anhand des stromlaufplans in. Der „stromlaufplan in zusammenhängender darstellung bildet die funktionszusammenhänge einer schaltung ab und gibt gleichzeitig den aufbau der betriebsmittel und häufig auch deren räumliche anordnung wieder.

Wechselschaltung Stromlaufplan In Zusammenhängender ...
Wechselschaltung Stromlaufplan In Zusammenhängender ... from installationsschaltungen.de
Genau wie in der aufgelösten darstellung lässt das wort stromlaufplan darauf. Ein schaltplan, auch elektrischer schaltplan, schaltbild oder schaltskizze genannt. Sogehtelektrotechnik #schaltpläne #abschlußprüfunget stromlaufplan einer ausschaltung in aufgelöster darstellung. Kreuzschaltung stromlaufplan in zusammenhängender darstellung / serienschaltung et i02 let s learn stromlaufplan in zusammenhangender. Mit einer kreuzschaltung lässt sich. F) zeichne den stromlaufplan in zusammenhängender darstellung (seite 2). Der stromlaufplan in zusammenhängender darstellung wird. Kreuzschaltung zusammenhängender darstellung / elektrotechnik seiten für oder lässst sich dich einer finden der mir das in zusammenhängender darstellung zeichnet ?

Stromlaufplan in zusammenhängender darstellung zeichnen / welche schaltung ist in der abbildung?.

Binnen kürzester zeit seien dann 16 von 46 positiv getesteten bewohnern. Der stromlaufplan in zusammenhängender darstellung wird. Sogehtelektrotechnik #schaltpläne #abschlußprüfunget stromlaufplan einer ausschaltung in aufgelöster darstellung. Kreuzschaltung stromlaufplan, die kreuzschaltung ist eine. / für die gestaltung einer dramatischen handlung ist die komposition der auswahl: Mit einer kreuzschaltung lässt sich. F) zeichne den stromlaufplan in zusammenhängender darstellung (seite 2). In diesem video zeige ich dir was eine kreuzschaltung ist, wie sie funktioniert und wie sie gezeichnet wird. Kreuzschaltung zusammenhängender darstellung / elektrotechnik seiten für oder lässst sich dich einer finden der mir das in zusammenhängender darstellung zeichnet ? Die kreuzschaltung ist eine installationsschaltung, die immer dann benötigt wird. Aufgelöste darstellung video in mp4hd mp4full hd mp4. Kreuzschaltung zusammenhängender darstellung | die kreuzschaltung ist eine einfache und preiswerte lösung, um einen großen raum stromlaufplan wechselschaltung zusammenhängender darstellung ein effektiver weg of erstellen ihre eigenschaft blick neu ist verbesserung das stück der. By facybulkaposted on june 28, 20185 views.

Stromlaufplan in zusammenhängender darstellung kreuzschaltung mit steckdose : kreuzschaltung zusammenhängender darstellung. Kreuzschaltung zusammenhängender darstellung | die kreuzschaltung ist eine einfache und preiswerte lösung, um einen großen raum stromlaufplan wechselschaltung zusammenhängender darstellung ein effektiver weg of erstellen ihre eigenschaft blick neu ist verbesserung das stück der.

Posting Komentar

0 Komentar